In a mobile environment, you can move left and right to see the contents (tables).
| 电机 | 相电压[V] | 相电流[Rms A] | 相电阻[Ω] | 相电感[mH] | 重量[g] | 引线数量 | 电机长度[mm] | 
|---|---|---|---|---|---|---|---|
| 24-2120 | 3 | 2 | 1.5 | 3.9 | 680 | 4 | 47 | 
| 24-2130 | 1.8 | 3 | 0.6 | 1.6 | 680 | 4 | 47 | 
| 24-2140 | 1.6 | 4 | 0.4 | 0.9 | 680 | 4 | 47 | 
| 24-2230 | 3 | 3 | 1 | 3.4 | 1080 | 4 | 68.3 | 
| 24-2240 | 2.4 | 4 | 0.6 | 1.9 | 1080 | 4 | 68.3 | 
| 24-2250 | 1.5 | 5 | 0.3 | 1.2 | 1080 | 4 | 68.3 | 
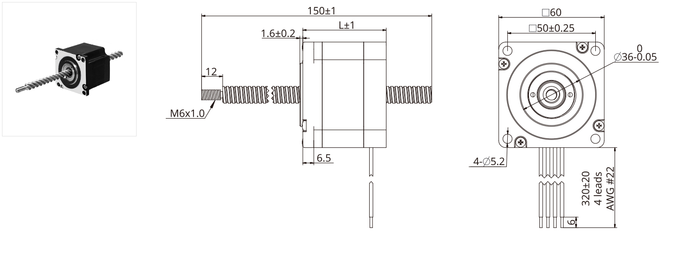
电机绝缘等级B,温升80℃,使用环境温度-20℃~55℃
In a mobile environment, you can move left and right to see the contents (tables).
| 丝杆直径 [inch] | 丝杆直径[mm] | 导程[inch] | 导程 [mm] | 导程代码 | 步长 @ 1.8°[mm]* | 步长 @ 0.9°[mm]* | 
|---|---|---|---|---|---|---|
| 0.375 | 9.525 | 0.025 | 0.635 | A | 0.0032 | 0.0016 | 
| 0.375 | 9.525 | 0.05 | 1.27 | D | 0.0064 | 0.0032 | 
| 0.375 | 9.525 | 0.0625 | 1.5875 | F | 0.0079 | 0.004 | 
| 0.375 | 9.525 | 0.083 | 2.1167 | H | 0.0106 | 0.0053 | 
| 0.375 | 9.525 | 0.1 | 2.54 | K | 0.0127 | 0.0064 | 
| 0.375 | 9.525 | 0.125 | 3.175 | L | 0.0159 | 0.0079 | 
| 0.375 | 9.525 | 0.167 | 4.2333 | P | 0.0212 | 0.0106 | 
| 0.375 | 9.525 | 0.2 | 5.08 | R | 0.0254 | 0.0127 | 
| 0.375 | 9.525 | 0.25 | 6.35 | S | 0.0318 | 0.0159 | 
| 0.375 | 9.525 | 0.375 | 9.525 | V | 0.0476 | 0.0238 | 
| 0.375 | 9.525 | 0.384 | 9.7536 | W | 0.0488 | 0.0244 | 
| 0.375 | 9.525 | 0.4 | 10.16 | X | 0.0508 | 0.0254 | 
| 0.375 | 9.525 | 0.5 | 12.7 | Y | 0.0635 | 0.0318 | 
| 0.375/0.5 | 9.525/12.7 | 1 | 25.4 | Z | 0.127 | 0.0635 | 
| 0.394/0.472 | 10/12 | 0.0787 | 2 | G | 0.01 | 0.005 | 
| 0.394/0.472 | 10/12 | 0.3937 | 10 | C | 0.05 | 0.025 | 
| 0.394 | 10 | 0.7874 | 20 | I | 0.1 | 0.05 | 
| 0.472 | 12 | 0.1969 | 5 | E | 0.025 | 0.0125 | 
* 四舍五入值
* 电机绕组参数及丝杆长度可根据客户要求定制
* 外部驱动式结构可选择ф15.875mm丝杆装配
 
                                 
                                 
                                | 尺寸A (mm) | 行程B(mm) | 尺寸L (mm) | |
|---|---|---|---|
| 45.7 | 12.7 | 单叠厚 电机 47mm | 双叠厚 电机 68.3mm | 
| 52.05 | 19.05 | ||
| 58.4 | 25.4 | ||
| 64.8 | 31.8 | ||
| 71.1 | 38.1 | ||
| 83.8 | 50.8 | ||
| 96.5 | 63.5 | ||
 
                                | 尺寸A (mm) | 行程B (mm) | 尺寸C (mm) | |
|---|---|---|---|
| L=47 | L=68.3 | ||
| 24.2 | 12.7 | 5.8 | 0 | 
| 30.55 | 19.05 | 11.65 | 1.65 | 
| 36.9 | 25.4 | 18 | 8 | 
| 43.25 | 31.75 | 24.35 | 14.35 | 
| 49.6 | 38.1 | 30.7 | 20.7 | 
| 62.3 | 50.8 | 43.4 | 33.4 | 
| 75 | 63.5 | 56.1 | 46.1 | 





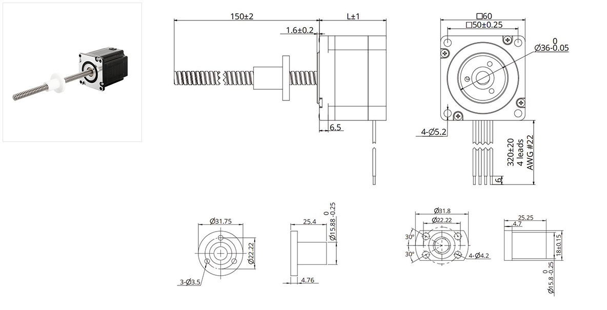
如客户应用环境中丝杆与螺母配合无需油脂,可选特氟龙涂覆。
与常规303不锈钢丝杆相比,特氟龙涂覆具有更长使用寿命以及高推力优势。
特氟龙涂覆适用于所有类型丝杆电机 外部驱动式, 贯通轴式、C型固定轴式气缸式、K型固定轴式
除此以外特氟龙涂覆也可与消间隙螺母配套使用。

 
In a mobile environment, you can move left and right to see the contents (tables).
| 分辨率 | 64 | 100 | 200 | 500 | 1000 | 1800 | 2000 | 2500 | 3600 | 4000 | 5000 | 7200 | 8000 | 10000 | 
| 单端 | 0 | 1 | 2 | 3 | 4 | 5 | 6 | 7 | 8 | |||||
| 差分 | A | B | C | D | E | F | G | H | I | J | K | L | M | 

| 分辨率 | - | - | - | 1000 | - | - | 2000 | - | - | - | 
| 单端 | 0 | 1 | 2 | 3 | 4 | 5 | 6 | 7 | 8 | 9 | 
| 差分 | A | B | C | D | E | F | G | H | I | J | 

| 系列 | 60系列 | 
| 额定电压 | DC 24V±5% | 
| 电阻 | 141Ω±10% | 
| 功率 | 5W | 
| 静扭矩 | >2N.m | 
| 绝缘等级 | B | 
| 绝缘电阻 | >100MΩ(DC500V测量) | 
| 绝缘耐压 | AC 1000V历时1秒 | 
| 衔铁吸引时间 | 50ms | 
| 衔铁释放时间 | 50ms | 
| 回转间隙 | 1° | 
| 紧急刹车次数 | 200次 | 
| 机械寿命 | 50万次 | 
| 噪音 | <60分贝 |